Hans Martins Bastelseiten

Ohne Strom ist im schönsten Labor nichts los: Der richtige Saft für Röhrenexperimente

Letzte Änderung: 23.1.2026

Zurück zur vorigen Seite

Zu den Schaltungsbeispielen:

  1. Stabilisierte Röhren-Stromversorgung zum Anschluss an den Trafo der Modelleisenbahn
  2. Das Schmuckstück meines Bastel-Labors
  3. Ein kompaktes Universalnetzgerät für Röhrenexperimente
  4. Ein einfache Hochspannungsquelle für erste Versuche
  5. Eine weitere Stabilisatorschaltung

Stabilisierte Röhren-Stromversorgung zum Anschluss an den Trafo der Modelleisenbahn

Die einfache, günstige und mobile Netzteil-Lösung für den Röhrenbastler

Braucht zum Basteln mit Röhren tatsächlich ein schweres und teures Hochspannungs-Netzgerät für die hohe Anodenspannungen? Oder muss man sich zuerst mit einem brizzelnden alten Radio-Netztrafo vom Schrott abplagen, wenn man bloß ein kleines Röhrenaudion auf dem Steckbrett auszuprobieren möchte? Keineswegs! Der Transformator von der alten Märklin-Spielzeugeisenbahn, ein Kleintrafo aus dem obsolet gewordenen Akku-Steckerladegerät und dieser kleine Apparat genügen fürs Erste.

Dies ist die Weiter­entwick­lung von diesem simplen Netzteil, das ich vor ein paar Jahren vorgestellt habe. Dieses hier liefert eine stabili­sierte, regel­bare, brumm­freie, kurz­schluss­sichere Gleich­spannung von 60 bis ungefähr 160 Volt. Die Strom­stärke ist auf 30 mA begrenzt.

Die Schaltung beruht auf einem handels­üblichen Fahr­transfor­mator einer Modell­eisen­bahn von Herstel­lern wie z.B. Märklin, Fleischmann oder Roco. Man findet solche prak­tisch unverwüst­lichen Fahr­geräte für 10 oder 20 Euro auf Floh­märkten, Spielzeug­börsen und im Internet­handel. Auch ältere Exem­plare aus den 1960er Jahren eignen sich gut für dieses Projekt. Die Trafos besitzen sekundär einen Licht­strom-Ausgang, der 16 Volt Wechselspannung für die Beleuchtung der bekannten Faller-Häuschen auf der häus­lichen Eisen­bahn­anlage lieferte. Anders als dort setzen wir diese Klein­spannung mit einem zweiten, weniger leistungs­starken Transfor­mator auf unge­fähr 200 bis 230 Volt wieder herauf, richten sie gleich und stabili­sieren sie elektro­nisch. So, wie man es sich für Röhren wünscht.

An dem Modell­eisen­bahn-Trafo nehmen wir keinerlei tech­nische Ände­rung vor. Sie können das hier abklemmen und damit weiter­hin ganz gefahr­los die Modell­eisen­bahn betreiben. Dieser Transfor­mator ist in einer weiteren Hinsicht äußerst nützlich, denn er stellt außer­dem eine regelbare Fahr­spannung von 4 bis 16 Volt zur Verfü­gung, sei es Gleich- oder Wechsel­spannung. Das ist für die Röhren­heizung egal, aber mit dem Fahrt­regler lässt sich die Heiz­spannung jeweils passend einstellen.

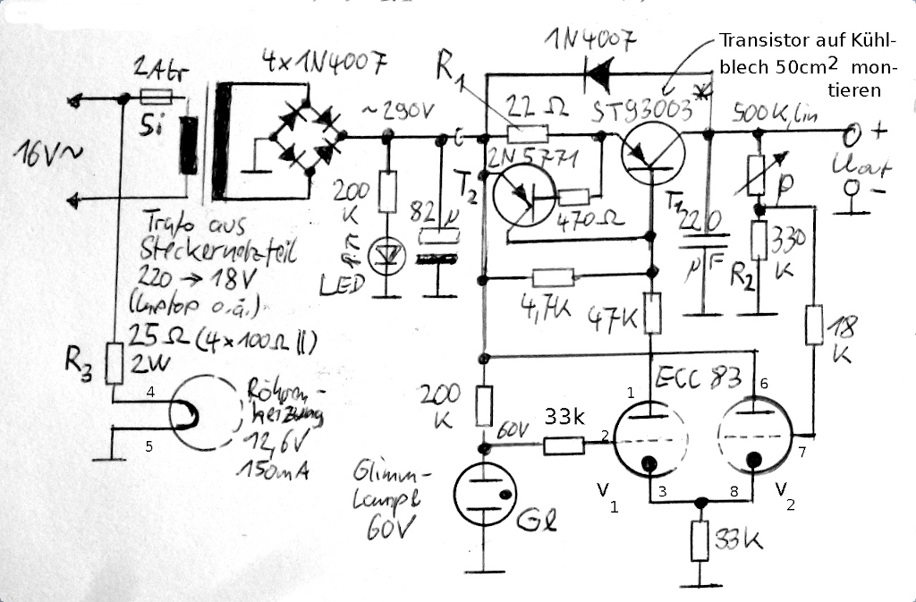
Der Schaltplan

Die 16-Volt-Licht­spannung aus dem Modell­eisen­bahn-Trafo speist die 18-Volt- Sekundär­wicklung eins Transfor­mator von ca. 10 VA Leistung, den ich aus dem Stecker-Netzteil eines alten Akku­schrauber-Lade­geräts ausgebaut. An der Primär­wicklung liegen dann 200 bis 230 Volt, die galva­nisch vom Licht­kreis völlig getrennt sind. Nach der Gleich­richtung mit einer Dioden­brücke (das ist unten auf der Seite alles beschrie­ben) liegen dann knapp 290 Volt am Stabi­lisator.
Die technischen Details des Stabi­lisators:

  1. Die Schaltung ist hybrid mit Transis­toren (einem Hoch­spannungs-PNP-Transistor T2 und einem weiteren, gewöhn­lichen PNP-Transistor T1) sowie einer Röhre (Doppel­triode ECC83 mit den Sytemen V1 und V2) aufgebaut.
  2. Die Anschlusspins der beiden Triodesysteme der ECC 83 sind im Schaltbild eingetragen. Diese Röhre hat den bekannten Novalsockel. Pins 1, 2 und 3 sind Anode, Gitter und Kathode des ersten, Pins 6, 7 und 8 jene des zweiten Triodensystems. Pins 4 und 5 sind die Heizfäden. Hier müssen 12,6 V anliegen (bei 150 mA). Pin 9, der Mittelanschluss, bleibt frei.
  3. Der HV-PNP-Transistor T2 fungiert als Längs­regler. Ich habe hier den Typ ST93003 eingesetzt: UCE,max = -400 V, Ptot = 40 W. Sehr stabil und hoch belastbar, trotz des kleinen SOT-32-Gehäuses! Trotzdem ist die Befestigung auf einem ausreichend großen Kühlblech (10 °C/W) hier unbedingt notwendig. Dieser Transistor wird/wurde vielfach im Spannungswandler von Energiesparlampen eingesetzt und ist nach meiner Beobachtung im Internet leicht und günstig zu beschaffen.
  4. Der Klein­spannungs­transistor T1 (hier genügt z.B. ein BC 557 statt des Bastel­kisten-2N5771) sorgt für die Strom­begren­zung. Er wird leitend, wenn an dem Wider­stand R1 mehr als 0.7 V anliegen. Bei 22 Ω sind das 30 mA. Dadurch wird der Basis­strom von T2 teil­weise direkt zum Emitter­anschluss abge­leitet und der Kol­lektor­strom auf den Grenz­wert redu­ziert.
  5. Parallel zum Längs­regler ist eine Diode 1N4007 in Rück­wärts­richtung geschaltet. Das ist bei HV besonders wichtig, um T2 vor einen Durch­bruch der Sperr­schichten zu schützen.
  6. Die Doppel­triode ECC 83 arbeitet als Differenz­verstärker, welcher die Ausgangs­spannung über den Regler P mit der Referenz­spannung von 60 V vergleicht. Diese wird von der Glimm­lampe Gl erzeugt. Die Triode R1 steuert direkt die Basis des Längs­reglers an.
  7. Die Heizung der ECC erfolgt über einen Vor­wider­stand direkt aus dem 16-Volt-Licht­strom.
  8. Der Stabi­lisator würde auch mit ECC 81 oder 82 funktio­nieren, jedoch liefert die ECC 83 wegen ihrer besonders hohen Verstär­kung das weitaus beste Resultat. Einen Vergleich dieser drei Röhren­typen finden Sie in der Kenn­linien­sammlung.

Aufbau der HV-Spannungsquelle

Ich habe das Gerät samt Trafo auf einer Loch­raster­platine aufge­baut (die Hälfte von einem Europa-Karten-Format). Wichtig ist der Kühl­körper für den HV-Tran­sistor, denn hier fallen bis zu 4 Watt Verlust­leistung an.
Links neben dem schwarzen Lade­konsen­sator ist die Minia­tur-Glimm­lampe mit einer Brenn­spannung von 60 Volt zu sehen. Ich habe sie nicht direkt einge­lötet, sondern mit Schraub­klemmen ange­schlossen, um sie bei Bedarf aus­tauschen zu können. Manche Glimm­lampen neigen zum "flim­mern", und das sieht man an Schwan­kungen der Ausgangs­spannung.
Ganz links im Vorder­grund: der Vorwider­stand für die Röhren­heizung. Ich habe vier Wider­stände von je 100 Ω und 0,5 W Leistung zu einem 25-Ω-Wider­stand parallel­geschal­tet, die sich den Heiz­strom der ECC teilen.

Zusam­menbau des Stabili­sators

Alle Bauelement sind auf der Platine, es kann losgehen! Eine halbe Minute nach anklemmen an den Licht­strom­ausgang ist die Heizung der ECC 83 soweit, und der Stabi­lisator nimmt den Betrieb auf. Die Spannung ist zwischen 60 und 150 V einstellbar. Bei 20 mA Strom­entnahme sinkt die Spannung um nur wenige Volt ein. Der Brumm­spannungs-Anteil liegt bei nur 20 Millivolt.
Damit kann man ein selbst­gebautes Röhren­audion oder einen kleinen Ton­frequenz­verstärker sehr gut versorgen, und zwar ohne störende Brumm­geräusche. Auch wenn es beim Basteln einmal zum Kurz­schluss kommen sollte, ist das kein Problem, denn der Stabi­lisator ist dagegen gesichert.

Natürlich gilt beim Basteln auch weiter­hin: Vorsicht, es ist Hoch­spannung!

Anwendungs des HV-Wandlers: Röhren-Blinker am Bahnübergang

Zurück zum Seitenanfang

Das Bild links zeigt das fertige Netz­teil, das ich in ein Holz­käst­chen mit 13 x 10 x 7 cm einge­baut habe. Alle Anschlüsse und Bedien­ele­mente sind in den Deckel aus Klar­sicht­plastik einge­lassen. Die beiden blanken Metall­klemmen dienen zur Verbin­dung mit dem Licht­ausgang des Fahr­trafos. Die Hoch­span­nung wird über 4-mm-Labor­stecker abgenommen.
Neben dem Einstell­poti für die Span­nung habe ich einen zusätz­lichen Schiebe­schal­ter einge­baut, der die HV direkt vor der Anschluss­buchse unter­bricht und die HV-Buchse mit Null verbin­det. Das ist nicht nur prak­tisch, sondern zur Vor­sicht auch not­wendig. Denn beim Modell­eisen­bahn­spielen muss man ganz oft Hand anlegen. Da ist es gut, wenn man alles ganz schnell und sicher hoch­span­nungs­frei machen kann.

Schalttafel "Old School"

Mit einer richtigen Schalttafel im Stil der 1920er Jahre macht Experi­men­tieren besonders viel Spaß! Ein Geschenk, ein Gesellen­stück von ca. 1970, das ich äußer­lich ein wenig restau­riert habe.

Die Perti­nax-Front­platte und die strikte Hierar­chie der Schalter, Mess­instru­mente und Kontakt­buchsen zeugen von einem hohen Anspruch im Umgang mit Elek­trizität. Wenn man am Stufen­schalter dreht, hört und fühlt man die Kontakte im Innern einras­ten. Ganz unten dann das Spalier Kontakt­buchsen, mit unmiss­verständ­lichen Etiketten. Eine Mahnung zur Einheit von gedank­licher und tech­nischer Ordnung in meinem manchmal chao­tischen Bastel­labor.

Die Wechselspannung aus dem hand­gewickel­ten Trafo läßt sich in 2-Volt-Stufen bis 24 V hoch­schalten. Das ist nützlich und hat schon so mancher P-Röhre zur kor­rekten Heiz­spannung verhol­fen.

Einen extra Schaltplan habe ich nicht gezeichnet. Der wäre elemetar einfach. Es ist ein Einzelstück, das in Handarbeit gebaut wurde.

Der robuste Stufenschalter ist nicht klein­zukriegen. Der verträgt auch dicke Abreiß­funken beim Umschal­ten, ohne dass die Kontakte abbrennen.

Ein echter Selen-Brücken­gleich­richter sorgt für die Gleich­spannung. Ursprüng­lich gab es keinen Sieb­konden­sator. Die Gleich­spannung bestand aus den nackten 100-Hz-Sinus­halb­wellen. Einem Elektro­motor, den man anschließt, ist das egal, aber ein Tran­sistor­audion oder ein Ton­frequenz­verstärker brummt ohren­betäubend. Ich selbst erst habe einen Elektro­lytkon­densator eingebaut. Einen einfachen Spanungs­stabili­sator mit Längs­transistor habe ich in einer Ecke am Trafo ange­schraubt.

Zurück zum Seitenanfang

Ein kompaktes Universalnetzgerät für Röhrenexperimente aller Art

Wozu ein extra Netzgerät für Röhren ?

Mit Röhren kann der Elektronik-Bastler eine ganze Reihe von elektro­nischen Schal­tungen aufbauen: Mittel- oder Lang­welle-Radios, Ton­frequenz­verstär­ker, Ton­genera­toren, Blink­lichter. Sogar elektro­nische Musik läßt sich damit machen. Die Schal­tungen selbst sind meistens recht übe­rschaubar.
Doch leider sind Elek­tronen­röhren in einem Punkt beson­ders anspruchs­voll. Sie brauchen verschie­dene Betriebs­span­nungen.

  1. Eine niedrige (Wechsel-)Spannung für die Röhrenheizung: die weit verbreiteten E-Röhren brauchen 6 Volt. P-Röhren dagegen je nach Typ zwischen 4 und 30 V. Der Heizstrombedarf liegt auch für ein größeres Röhrenprojekt maximal bei 2 bis 3 Ampere.
  2. Eine hohe Gleichspannung (50 bis 250 V) für die Versorgung mit Anodenstrom. Für die Mehrzahl der hier gezeigten Experimente und Bastelprojekte reichen 5 bis 50 mA Belastbarkeit meistens aus. Die Spannung sollte stabilisiert, regelbar, kurzschlußsicher und frei von Brummspannung sein.
  3. Und dann ist ab und zu noch eine kleine, aber ebenfalls einstellbare Gleichspannung zwischen 0 und etwa 20 Volt von Nutzen, als Gittervorspannung bei Röhrentests.

Damit man nicht jedes Mal teure Hoch­span­nungs­trafos beschaff­en und mit "heißen" Gleich­richter­dioden und Elek­trolyt­kondensa­toren jonglieren muss, oder gar mit aben­teuer­lichen Serien­schal­tungen von Batterien, lohnt sich der Selbst­bau eines kleinen, aber präzise arbei­tenden Netz­geräts. Damit macht Röhren­basteln noch mehr Spaß.

Mein kleines Labornetzgerät passt auf jeden Basteltisch (26 x 19 x 10 cm groß, 2,5 kg schwer). Ich habe es praktisch ganz aus Elektronik-Schrott zusammengebaut, aus Teilen, die ich aus Altgeräten ausgebaut habe, bevor die in die Müllpresse wanderten. Die Bauelemente gibt es aber auch im Versandhandel, und oft schon hatte ich auf Flohmärkten Glück.

Das Gerät liefert alle wichtigen Spannungen fürs Experimentieren mit Elektronenröhren:
a.) 6,3 V, 19 V und 25 V Wechselspannung für die Heizung bis 2,5 A
b.) eine einstellbare stabilisierte Gleichspannung von 60 bis 280 Volt bei maximal 50 mA für den Anodenstrom.
c.) 0 bis 27 V Gleichspannung, mit nur wenigen mA belastbar, für Gittervorspannungen.

"1985" steht ober auf dem Plan! Ja so lange ist das schon her, dass ich das Netzgerät gebaut habe (auch wenn der Schaltplan dank ESYM aus deutlich jüngerer Zeit ist). Seitdem ist es in meinem Labor im Einsatz.

Der Schaltplan

Das Gerät enthält zwei Netz­trafos. Der obere Trafo stammt aus einem alten Röhren­radio. Er besitzt sekundär eine Hoch­spannungs­wicklung mit etwa 230 V für die Anoden­spannung, die maximal 60 mA liefern kann. Ferner ist da noch eine Heiz­spannungs­wicklung mit 6,3 V.

Der untere Trafo hat Wick­lungen für 19 V und 6,3 V. Er stammt aus einem alten Farb­fern­seher. Der dritte, kleine Trafo ist kein Netz­trafo, sondern ein Zwischen­über­trager für 6 auf 9 V. Den habe ich hier einge­baut, um die Heiz­spannung der PCF 82 im Hoch­spannungs­stabili­sator zu erzeugen. Normaler­weise wäre dieser Zwischen­trafo nicht nötig, wenn dort eine Pentode mit einer 6,3-Volt-Heizung drin wäre. Der Trafo sorgt für die galva­nische Trennung von der Heizung der Leistungs­pentode EL84. Keines­falls darf man die Heizungen der beiden Röhren direkt parallel schalten, denn die Spannungs­differenz zwischen ihren Kathoden ist zu hoch und das könnte bei unmittel­barer Verbindung zur Zerstö­rung der Röhren führen.

Die regelbare Gitter­vorspan­nung. Hier wird aus den 19 V plus 6,3 V Wechsel­spannung zunächst eine Gleich­spannung von 40 V erzeugt. Diese gelangt zu einem Wider­stands­netz­werk, das auch den Germanium­transistor 2 SB 324 (hier geht auch ein ganz normaler Si-pnp-Tran­sistor, z.B. ein BC 557) und eine Zener­diode enthält. Diese Schaltung dient der Siebung der noch welligen Spannung vom Gleich­richter und garan­tiert eine konstante, praktisch brumm­freie Gleich­spannung von 27 V. Wichtig, wenn man damit auf das hoc­hempfind­liche Steuer­gitter einer Röhre gehen will. Diese Ausgangs­spannung ist gegen Schwan­kungen der Eingangs­spannung stabili­siert und vom Hoch­spannungs-Strom­kreis galva­nisch getrennt. Die simpelste 1-Tran­sistor-Stabi­lisierungs­schaltung, die so perfekte Gleich­spannung erzeugt. Vor Inbetrieb­nahne muß das 470-Ohm-Poti lediglich einmal abge­glichen werden. Die 27 V werden dann mit dem 5-Kilo­ohm-Poti passend herunter­gesetzt.

Die stabilisierte Hochspannung

Die 230 V Wechsel­spannung aus dem Anoden­trafo werden mit einem Selen-Brücken­gleich­richter in 280 V Gleich­spannung verwan­delt. Diese gelangen über die Längs­röhre EL 84 zum Ausgang. Das Gitter der Längs­röhre wird über einen Differenz­verstärker angesteuert, der das Pentoden­system einer PCF 82 nutzt. Dieser Röhren­typ kam früher in TV-Geräten zum Einsatz kam. Die Ausgangs­spannung kann man mit dem 100-Kiloohm-Regler stufen­los zwischen 60 und 250 V einstellen. Sie ist gegen­über Schwankungen der Strom­entnahme stabili­siert und entfernt den Wechsel­spannungs­anteil aus der Gleich­spannung fast voll­kommen. Die maximale Stromstärke ist 50 mA.

Bei 250 V sind allerdings nur 20 mA möglich. Eine extra Kurz­schluß­abschaltung gibt es nicht. Im Fall eines Kurz­schlusses bleibt der Strom im Rahmen. Weder die EL 84 noch der altehr­würdige Selen­gleich­richter können Schaden nehmen.

Ich habe auch eine weitere Buchse vorgesehen, die direkt zum Pluspol des Ladeelkos hinter dem Gleich­richter führt. Hier kann man die unstabi­lisierte Spannung von 280 V abnehmen.

Das Ganze passt in ein Sperr­holz-Gehäuse mit abnehm­barem Deckel und Rück­wand. Zur ein­facheren Wartung.

Ein Blick auf den Stabili­sator. Links die EL 84, daneben die PCF 82 und rechts der Selen-Brücken­gleich­richter. Vorne links im Bild der Zwischen­trafo für die Heizung der PCF 82.

Zurück zum Seitenanfang

Ein einfache Hochspannungsquelle für erste Versuche

Eine ökonomische Lösung

Eine typische Frage angehender Röhrenbastler wurde mir schon mehrfach gestellt: Woher bekomme ich von meinem Taschengeld die hohe Betriebsspannung für die Röhren? Denn passende Labornetzgeräte aus dem Elektrohandel sind teuer.

Aus Alt mach Neu: Steckernetzteil plus Modelleisenbahntrafo. Meine Lösung fürs Labor besteht aus dem Fahr­transformator einer Märklin-Spiel­zeugeisen­bahn und einem Stecker­netzteil eines ausge­dienten Laptops, Fax­geräts oder Akku­schrauber-Lade­geräts. Solche Stecker­netz­teile liefern um die 18 Volt (steht auf dem Typen­schild). Ich habe den Trans­formator ausge­lötet. er lieferte sekundär 16 V Wechsel­span­nung (etwas mehr wäre kein Problem). Dieser kaum faust­große Trafo wird nun "rück­wärts" betrieben, das heißt, die Fahr­spannung des Eisen­bahn­trafos wird an seine Sekundär­wicklung geklemmt. (Ich habe eine "Angst­siche­rung" einge­baut, damit da auch nichts schmoren kann) Primär erscheinen dann wieder bis zu 230 Volt Hoch­spannung, und zwar ein­wand­frei gegen Masse isoliert. Damit können Röhren etwas anfangen!

Spannungsreglung: Mein Märklin-Eisen­bahn­trafo liefert an seinem Ausgang (zwischen Buchse "0" und "B") eine ein­stell­bare Wechsel­span­nung zwischen 5 und 16 Volt, und zwar kurz­schluss­sicher.

Erste Probe:Der rückwärts geschal­tete Stecker­netz­teil-Trafo macht daraus also 60 bis 230 Volt, je nach Fahrt­regler-Einstel­lung. Nach dem Gleich­richten sind es 80 bis 300 V.

Noch ein schönes Feature, das P-Röhren Heizungs­problem betref­fend: Zahl­reiche größere P-Röhren wie PCL 805, PL 508, PY 82, oder auch zwei PCF 82 in Serie lassen sich unmit­telbar vom Eisen­bahn­trafo aus heizen. Bei anderen Typen hilft ein Vor­wider­stand weiter. Zwischen den Buchsen "0" und "L" liegen konstante 16 V Wechsel­spannung an.

Gleichrichtung: Der Ausgang meines provi­sori­schen Experi­mentier­netz­teil habe ich noch um einen Brücken­gleich­richter aus 4 Dioden vom Typ 1N4007, einen 350-Volt Elektro­lytkon­densator mit 82 µF und einen Entlade­wider­stand (einschließ­lich Betriebs­anzeige-LED) ergänzt. Und schon hatte ich eine recht brauch­bare Spannungs­quelle.

Mit dem Modell­eisen­bahn-Trafo kann ich nicht nur Züge auf meiner Märklin-H0-Eisenbahn fahren lassen, sondern auch, mittels des Trafos aus einem Akku-Lade­gerät, Röhren­schal­tungen betreiben. Wichtig: der Modell­eisen­bahn-Trafo muss unbedingt ein Typ mit Wechsel­strom-Ausgang sein. Zahl­reiche Syteme wie Fleisch­mann, Roco, Piko, Tillig oder Märklin-Spur-Z arbeiten mit Gleich­strom. Diese sind speziell für dieses Gerät nicht geeignet.

Hier ein Detailbild. Transformator, Gleich­richter­dioden, Lade­konden­sator und sonstige Elemente habe ich auf einer Loch­raster­platte montiert. Ein isolie­rendes Gehäuse mit stabilen Buchsen und Spannungs­anzeiger wären prak­tisch. Das Gerät liefert bis zu 25 mA, wobei die Spannung aber einsinkt. Vorsicht auch beim Kurz­schließen der Hoch­spannung: das gibt einen knal­lenden Funken, wenn sich der Lade­konden­sator entläd! Und auch nach dem Aus­schalten dauert es mindes­tens 20 Sekunden, bis die HV abge­klungen ist (weshalb wohl habe ich eine LED eingebaut?). Trotzdem, ein erster Schritt in die Röhren­technik, auch wenn man einen ordent­lichen Spannungs­stabi­lisator, siehe den Bastel­vorschlag oben, bald vermisst.

Zurück zum Seitenanfang

Ein weiterer Schaltungsvorschlag für ein stabilisiertes Röhrennetzgerät

Eine etwas unkonventionelle Stabilisier­schaltung: die Längs­röhre EL 84 liegt in der negativen Leitung, die vom Gleich­richter zum Ausgang führt und nicht, wie bei den meisten Längs­stabili­satoren, in der positiven. Und muss die Anode der Triode tatsächlich "unten" liegen? Aber klar, das ist der positive Pol! Das ist kein Fehler im Schaltplan.
Statt einer EBC 91 gehen auch andere Trioden. Man nehme was gerade da ist, seien es auch PC86 oder PC900. Je nach Leistung des Trafos könnten man an Stelle der EL 84 auch die stärkere EL 34 oder die 6L6 verwenden. Damit schafft der Stabi 100 oder viel­leicht sogar 150 mA.

Zurück zum Seitenanfang; Hans Martin Sauer 2016-2026

Die Stabilisatorschaltung links verwendet sowohl Röhren als auch Transis­toren. Wie schon oben wird eine Leistungs­pentode EL 84 hier als Längs­röhre einge­setzt. Diese Schal­tung hat gegenüber der oben gezeigten jedoch einen Vorteil: die Spannung, die an der Längs­röhre abfällt, ist bei Voll­aussteue­rung sehr viel kleiner, nur etwa 30 bis 40 Volt. Dadurch sinkt die Ausgangs­spannung, wenn man dem Stabili­sator hohe Ströme entnimmt, nicht so stark ein. Trotzdem arbeitet die Stabi­lisie­rung einwand­frei.

Die Schaltung funktioniert so:

Die Triode der EBC 91 liegt mit ihrer Kathode an der Glimm­lampe Z90/60, die eine sehr kon­stante Brenn­spannung von 60 V hat. Ihr Gitter ist über den Regler P0 mit der Ausgangs­spannung verbunden, die zu stabili­sieren ist. Wenn diese absinkt, dann wird das Gitter posi­tiver, und durch die Anode gelangt mehr Strom an die Basis des unteren PNP-Hoch­volt­transis­tors 2SA1156. Der Kollektor­strom steigt an. Der obere PNP-Tran­sistor setzt Potential noch weiter herauf, und der Kollektor­strom gelangt zur Basis des NPN-Tran­sistors BD137, der in der Kathoden­leitung der Endpen­tode EL84 liegt. Tran­sistor und Röhre werden also aufge­steuert, und es gelangt mehr Strom an den Ausgang, und zwar soviel, dass der Rück­gang der Gitter­spannung an der Triode wieder ausge­glichen wird. Der BD137 "sieht" maximal etwa 15 V zwi­schen Emit­ter und Kol­lektor, denn die Röhre sperrte den Strom voll­ständig, falls ihre Gitter-Katho­den-Span­nung noch nega­tiver würde. Man braucht hier keinen teuren Hoch­volt­tran­sistor. Den größten Teil der Regel­leistung über­nimmt die Röhre, und der Spannungs­unter­schied zwischen Anode und Kathode kann mehrere hundert Volt erreichen.
Zwei Punkte sind zu beachten:
1. Echte Glimm­stabili­sator-Röhren lassen nur eine Polung zu. Da muss die Anode nach "unten", wie bei der Triode. Bei einer gewöhn­lichen Glimm­lampe ist das dagegen egal.
2. Jede der beiden Röhren braucht eine isolierte Heiz­wicklung am Trafo.